四路智能照明控制器

1.1. 型号规格
ZTEN-SK-0420A
1.2. 技术参数
Ø工作电压:AC220V
Ø标称电流:20A
Ø输出回路:4路
Ø功 耗:<3W
Ø通讯方式:RS485通讯,标准Modbus-RTU通讯协议
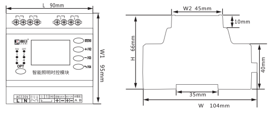
Ø外形尺寸:90x104x66mm
1.3. 功能特点
Ø数码显示;
Ø通讯地址可设定;
Ø消防联动,强启强切可设定;
Ø全开全关延时可设定;
Ø上电模式可设定;
Ø掉电记忆功能可选择;
Ø波特率可设定;
Ø可恢复出厂设置;
Ø远程集中控制与就地控制;
Ø应急手动控制;
Ø消防信号反馈;
Ø后台或面板场景设定;
Ø后台或面板负载状态显示;
Ø可外加照度检测、人体红外微波感应;
Ø可外加无线控制(手机、电脑、PAD);
Ø可加电流检测;
Ø标准导轨安装。
1.4. 外形尺寸
1.5. 接线原理图

地址:浙江省杭州市滨江区聚才路88号远方科技中心1705
电话:0571-28279709
手机号码:13957192526